Schaltpläne
Allgemeines

Die Hauptsammelschiene (L1, L2, L3) versorgt die einzelnen Modulebenen (L1.x, L2.x, L3.x) mittels der Feldverteilschiene mit der notwendigen elektrischen Energie. Je nach Submodul werden entsprechende Modultypen den Modulebenen zugeordnet und mit Energie versorgt.

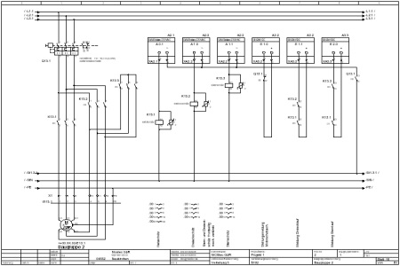
Submodule werden durch eine Typicalseite beschrieben. Der Schaltplan besteht aus dem Leistungsteil 230/400VAC und einem Steuerteil zur Betätigung des Submoduls. In der Regel werden Kontakte mit ihren zugehörigen Schütz- oder Relaisspule in einer Ebene dargestellt. Hierzu wurden die Schaltpläne mit entsprechend erklärenden Texten gestaltet, dass auch Nichtfachleute den Plan lesen können.

Bild: Schaltplan Submodul

Jedes Submodul kann in seiner Grundausführung mit zusätzlichen Funktionen (Zusätzen) ergänzt werden. Diese Zusätze befinden sich in der Regel immer in den nachfolgenden Unterseiten.

Bild: Schaltplan Zusätze

Zusätze werden unterteilt in zwei große Gruppen, zum einen die überwachenden Zusätze und den begrenzenden Zusätzen.

Zu den überwachenden Zusätzen zählt die Messung (Spannung- und Strommessung etc.) und externe Meldungen (Brandschutzklappe, Temperaturüberwachung etc.).

Die begrenzenden Zusätze (Druck- und Temperaturbegrenzer, Thermistorschutz, Not-Aus etc.) melden zum einem einen erreichten oder zu begrenzenden Zustand an die Steuerung und lösen die Submodule mit Hilfe der Sicherheitskette aus. Hierzu wird der Steuerstromkreis 230VAC zu den Schütz- oder Relaisspulen hardwaremäßig unterbrochen.

Copyright © 1999 by MOStec GbR Jakobi Josef und Norbert